關于YB-150系列精密壓力表尺寸圖
本文提供一組YB-150系列精密壓力表外形尺寸圖。這組尺寸圖適用于西安高精密儀表廠生產的精密壓力表尺寸,國內北京、上海、哈爾濱、長春、青島、廣州、深圳等地的精密壓力表生產廠的同型號產品可參考本圖所標注尺寸。本尺寸圖是按精密壓力表的不同安裝結構型式分別進行的圖樣尺寸標注,如:基型尺寸、軸向嵌裝式尺寸、徑向凸裝式尺寸、徑向嵌裝式尺寸,共4幅相應精密壓力表尺寸圖。
YB-150 基型 精密壓力表尺寸圖
YB-150-based Precision pressure gauge dimensions diagram
(圖一)基型【直接安裝式】精密壓力表尺寸
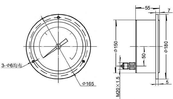
YB-150 ZT型 精密壓力表尺寸圖
YB-150 ZT-type precision pressure gauge dimensions diagram
(圖二)軸向前帶邊【軸向嵌裝式】尺寸
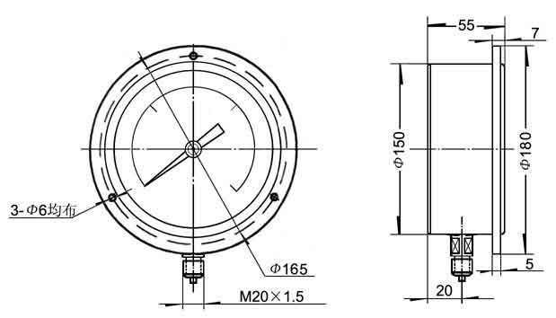
YB-150 T型 精密壓力表尺寸圖
YB-150 T-type precision pressure gauge dimensions Figure
(圖三)徑向后帶邊【徑向凸裝式】尺寸
YB-150 TQ型 精密壓力表尺寸圖
YB-150TQ-type Precision pressure gauge dimensions Figure
(圖四)徑向前帶邊【徑向嵌裝式】尺寸



