精密壓力表,徑向直接安裝式
一種徑向直接安裝式精密壓力表,徑向直接安裝使用,徑向引出接口,標配接口螺紋M20×1.5,其它接口螺紋可定制。精度等級可提供0.4級、0.25級、0.16級。這種形式是精密壓力表的基本安裝結構形式,經常被稱為基型精密壓力表,是默認的安裝結構形式。
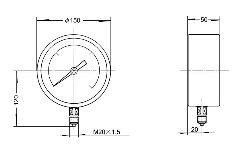
本頁一并向您提供兩幅圖片,一是直接安裝式精密壓力表外觀正視照片,一是直接安裝式精密壓力表尺寸標注圖。
徑向直接安裝式精密壓力表
Precision pressure gauge installed directly
徑向直接安裝式精密壓力表尺寸
Radial direct mounted precision pressure gauge size
